Multiple Choice Questions Topic Outline
- MCQs in Load-Line Analysis
- MCQs in Diode Approximations
- MCQs in Series Diode Configurations with DC Inputs
- MCQs in Parallel and Series-Parallel Configurations
- MCQs in AND/OR Gates
- MCQs in Sinusoidal Inputs; Half-Wave Rectification
- MCQs in Full-Wave Rectification
- MCQs in Clippers
- MCQs in Clampers
- MCQs in Zener Diodes
- MCQs in Voltage-Multiplier Circuits
Begin and Good luck!
1. Use the information provided here to determine the value of IDQ.
- A) 0 mA
- B) 4.3 mA
- C) 5 mA
- D) 10 mA
2. In a particular problem, which mode has the highest level of IDQ?
- A) Ideal
- B) Approximate equivalent
- C) Exact mode using characteristic curve
- D) None of the above
3. Which diode(s) has (have) a zero level current and voltage drop in the ideal model?
- A) Si
- B) Ge
- C) Both Si and Ge
- D) Neither Si nor Ge
4. Determine the current level if E = 15 V and R = 3 kΩ.
- A) 0 A
- B) 4.76 mA
- C) 5 mA
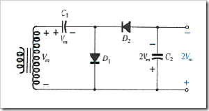
- D) 5 A
5. Determine the voltage across the resistor.
- A) 0 V
- B) 0.09 V
- C) 0.2 V
- D) 0.44 V
6. Determine the value of the load resistor.
- A) RL = 5 kΩ
- B) RL = 5.5 kΩ
- C) RL = 6 kΩ
- D) None of the above
7. Determine ID.
- A) 0 mA
- B) 1.893 mA
- C) 2.036 mA
- D) 2.143 mA
8. Determine V2.
- A) 3.201 V
- B) 0 V
- C) 4.3 V
- D) 1.371 V
9. A diode is in the "_____" state if the current established by the applied sources is such that its direction matches that of the arrow in the diode symbol, and VD ≥ 0.7 V for Si and VD ≥ 0.3 V for Ge.
- A) off
- B) on
- C) neutral
- D) quiescent
10. An open circuit can have any voltage across its terminals, but the current is always _____.
- A) 5 A
- B) 0 A
- C) 1 A
- D) ∞
11. A short circuit has a _____ drop across its terminals, and the current is limited only by the surrounding network.
- A) 5 V
- B) 0 V
- C) 1 V
- D) ∞
12. Determine ID2.
- A) 29.40 mA
- B) 30.30 mA
- C) 14.70 mA
- D) None of the above
13. Determine ID1.
- A) 0 mA
- B) 29.40 mA
- C) 14.70 mA
- D) 14.09 mA
14. Determine ID2.
- A) 6.061 mA
- B) 0.7 mA
- C) 3.393 mA
- D) 3.571 mA
15. Determine the current through each diode if E1 = E2 = 0 V.
- A) 4.65 mA
- B) 9.3 mA
- C) 18.6 mA
- D) 0.7 mA
16. Determine Vo if E1 = E2 = 10 V.
- A) 9.3 V
- B) 10 V
- C) –10 V
- D) 0 V
17. What is the logic function of this circuit?
- A) Positive logic AND gate
- B) Positive logic OR gate
- C) Negative logic AND gate
- D) Negative logic OR gate
18. What is the logic function of this circuit?
- A) Positive logic AND gate
- B) Positive logic OR gate
- C) Negative logic AND gate
- D) Negative logic OR gate
19. What best describes the circuit?
- A) Full-wave rectifier
- B) Half-wave rectifier
- C) Clipper
- D) Clamper
20. Determine the peak value of the current through the load resistor.
- A) 2.325 mA
- B) 5 mA
- C) 1.25 mA
- D) 0 mA
21. Determine the average value of the current through the load resistor.
- A) 2.5 mA
- B) 0 mA
- C) 1.37 mA
- D) 1.479 mA
22. What best describes the circuit?
- A) Full-wave rectifier
- B) Half-wave rectifier
- C) Clipper
- D) Clamper
23. List the categories of clippers.
- A) Series
- B) Parallel
- C) Series and parallel
- D) None of the above
24. Determine the peak value of the output waveform.
- A) 25 V
- B) 15 V
- C) –25 V
- D) –15 V
25. Determine the peak for both half cycles of the output waveform.
- A) 16 V, –4 V
- B) 16 V, 4 V
- C) –16 V, 4 V
- D) –16 V, –4 V
26. What best describes the circuit?
- A) Full-wave rectifier
- B) Half-wave rectifier
- C) Clipper
- D) Clamper
27. Determine the total discharge time for the capacitor in a clamper having C = 0.01 µF and R = 500 kΩ.
- A) 5 ms
- B) 25 ms
- C) 2.5 ms
- D) 50 ms
28. Calculate IL and IZ.
- A) 2 mA, 0 mA
- B) 4 mA, 2 mA
- C) 2 mA, 2 mA
- D) 2 mA, 4 mA
29. With this Zener diode in its "on state," what is the level of IZ for the maximum load resistance?
- A) 0 mA
- B) Undefined
- C) Equal to IRL
- D) IZM
30. In a voltage regulator network with fixed RL and R, what element dictates the minimum level of source voltage?
- A) VZ
- B) IZ
- C) IZM
- D) None of the above
31. Which element dictates the maximum level of source voltage?
- A) VZ
- B) IZM
- C) IZ
- D) None of the above
32. What is the peak inverse voltage across each diode in a voltage doubler?
- A) Vm
- B) 2Vm
- C) 0.5Vm
- D) 0.25Vm
33. What is the voltage measured from the negative terminal of C4 to the negative terminal of the transformer?
- A) –10 V
- B) –20 V
- C) 10 V
- D) 20 V
34. In a voltage-multiplier circuit, the number of diodes is directly proportional to the multiplicative voltage factor.
- A) True
- B) False
35. Rectifiers are commonly used in battery chargers.
- A) True
- B) False
Fill-in-the-blanks Questions
1. The intersection of the load line with the characteristic curve determines the _____ of the system.
- A) point of operation
- B) load-line analysis
- C) characteristic curve
- D) forward bias
2. The slope of the load line depends on the _____.
- A) type of the diode used
- B) characteristic curve
- C) load resistor
- D) source voltage
3. The load line is defined by the _____ and a characteristic curve is defined by the _____.
- A) quiescent point, device
- B) device, network
- C) network, device
- D) None of the above
4. The quiescent point (Q-point) is defined by a(n) _____.
- A) ac network
- B) dc network
- C) ac and dc network
- D) None of the above
5. The x-intercept of the load line with the characteristic curve is determined by the _____.
- A) load resistor
- B) diode
- C) source voltage and the load resistor
- D) source voltage
6. The source voltage must be _____ the voltage drop across the diode to conduct the diode.
- A) larger than
- B) smaller than
- C) the same as
- D) None of the above
7. As the load resistor increases, the slope of the dc load line and the levels of diode current _____.
- A) increase
- B) decrease
- C) remain unchanged
- D) are unpredictable
8. A germanium diode is approximated by _____ equivalent for voltages less than 0.3 V.
- A) a short circuit
- B) a series circuit
- C) a parallel circuit
- D) an open circuit
9. A diode is in the _____ state if the current established by the applied sources is such that its direction matches that of the arrow in the diode symbol and VD > 0.7 V.
- A) off
- B) reverse bias
- C) on
- D) transition
10. The combination of a short circuit in series with an open circuit always results in a(n) _____ circuit.
- A) open
- B) short
- C) neither short nor open
- D) unknown
11. The absence of the Si or Ge and VD label on a diode denotes _____ notation.
- A) approximate model
- B) ideal model
- C) exact model
- D) None of the above
12. The process of removing one-half the input signal to establish a dc level is called _____.
- A) rectifier
- B) full-wave rectifier
- C) half-wave rectifier
- D) filtering
13. The dc voltage level of a silicon diode is _____ its ideal model.
- A) smaller than
- B) larger than
- C) the same as
- D) None of the above
14. The PIV rating of the diodes in a full-wave rectifier must be larger than _____ Vm.
- A) 0.318
- B) 0.636
- C) 2
- D) 1
15. For the ideal diode the transition between states will occur at the point on the characteristic curve when VD = _____ V and ID = _____ A.
- A) 0.3, 0
- B) 0, 0
- C) 0.7, 0
- D) 0.7, 0.3
16. A clamping network must have _____.
- A) a capacitor
- B) a diode
- C) a resistive element
- D) All of the above
17. The ratio of the total swing of the output of a clamper to its input total swing is _____.
- A) 1
- B) 2
- C) 0.5
- D) 0
18. For the "off" state of a Zener diode, the voltage across the diode should be _____.
- A) greater than VZ
- B) zero
- C) less than VZ but greater than zero
- D) None of the above
19. Once the Zener diode is in the "on" state, VZ is always _____ VL.
- A) larger than
- B) smaller than
- C) the same as
- D) None of the above
20. Zener diodes are used in regulator networks to _____.
- A) generate voltage
- B) consume power
- C) maintain a fixed voltage across the load resistor
- D) protect the load
21. With the Zener diode in the "on" state, increasing IL will _____ IZ and _____IR.
- A) decrease, increase
- B) increase, decrease
- C) decrease, keep the same level of
- D) increase, keep the same level of
22. A Zener diode is in a _____ impedance region in the forward bias while it has a _____ impedance region in the reverse bias.
- A) very large, low
- B) very large, very large
- C) low, low
- D) low, very large
23. In a half-wave voltage doubler, the voltage across output capacitor C2 drops across the load during the _____ half cycle and the capacitor is recharged up to _____ during the _____ half cycle.
- A) negative, 2Vm, positive
- B) positive, Vm, negative
- C) positive, 2Vm, negative
- D) negative, Vm, positive
24. The full-wave voltage doubler provides _____ filtering action than (as) the half-wave voltage doubler.
- A) better
- B) poorer
- C) the same
- D) None of the above
25. In this voltage multiplier, measuring from the top of the transformer winding will provide _____ multiples of Vm at the output, whereas measuring the output voltage from the bottom of the transformer will provide _____ multiples of the peak Vm.
- A) odd, even
- B) even, odd
- C) odd, odd
- D) even, even
Back to Homepage
Note: Check your works. Diode Applications - MCQs Answers







0 comments: Post Yours! Read Comment Policy ▼
PLEASE NOTE:
I have Zero Tolerance to Spam. It will be deleted immediately upon review.
Post a Comment